نرم افزار Siemens Logo!soft Comfort برای برنامهنویسی، مستند سازی و رسم دیاگرام های نردبانی و نمودار بلوکی رویه و همچنین برنامه نویسی PLC های سری LOGO شرکت Siemens منتشر شده است. نصب ساده، حداقل سیم کشی، برنامه نویسی کاربر پسند از ویژگی های خوب این نرم افزار می باشد. شما به راحتی می توانید پروژه های کوچک اتوماسیون را با LOGO مدیریت و کنتزل کنید. ماژول منطقی هوشمند از زیمنس پیاده سازی کنید. Siemens Logo!soft Comfort موجب صرفه جویی در فضای در کابینه کنترل میشود و به شما اجازه می دهد تا به راحتی به پیاده سازی توابع از جمله زمان تاخیر، زمان رله، شمارنده و رله کمکی بپردازید. اجرای سیستم های کنترل خاص در محیط های زیست محیطی یا گلخانه ها برای پردازش سیگنال کنترل و با اتصال یک ماژول ارتباطی از قبیل یک ماژول ASi برای کنترل مکان یابی ماشین ها و فرایندها از دیگر ویژگی خوب این نرم افزار می باشد.
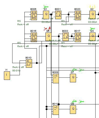
اجرای پروسه چراغ راهنمایی و رانندگی به صورت شبیه سازی شده در نرم افزار 8 LOGO!SOFT COMFORT
» شرایط برنامه:
این پروژ شامل دو فایل با طراحی متفاوت می باشد.
تعداد مشاهده: 15501 مشاهده
کد فایل:11857
انتشار در:۱۳۹۸/۱۰/۳
حجم فایل ها:16.7 کیلوبایت + 9.9 کیلوبایت
تعداد صفحات: 1
زبان: نامشخص
فرمت: نامشخص
فهرست: نامشخص
منابع و مآخذ: نامشخص
جدول و نمودار: نامشخص
عکس و تصویر: نامشخص
پروژه اتصال ویفر سیلیکان به روش پیوند Eutectic
قیمت : 200,000 تومان
توضیحات بیشتر دریافت فایل
تحقیق درباره خازن ها
قیمت : 40,000 تومان
پروژه طراحی و ساخت برد آموزشی بر اساس AVR
قیمت : 275,000 تومان
پروژه شبیه سازی یک ماشین لباسشویی هوشمند به کمک منطق فازی
قیمت : 18,000 تومان
پروژه کنترل هوشمند خودرو در مسیر حرکت با کمک منطق فازی
تحقیق درباره استفاده از منابع بادی و خورشیدی برای کاهش هزینه ها و بهبود شاخص های شبکه
قیمت : 25,000 تومان
تحقیق درباره روشنایی معابر
قیمت : 19,800 تومان
پروژه اتوماسیون صنعتی (PLC)
قیمت : 15,000 تومان
طراحی و اجرای مدار (5) در نرم افزار LOGO!SOFT COMFORT
قیمت : 10,000 تومان
طراحی و اجرای مدار (4) در نرم افزار LOGO!SOFT COMFORT
طراحی و اجرای مدار (3) در نرم افزار LOGO!SOFT COMFORT
طراحی و اجرای مدار (2) در نرم افزار LOGO!SOFT COMFORT